产品中心
Product Center
- 产品介绍
- 技术参数
- 选材及工艺
- 信号输出
- 精度检测
-




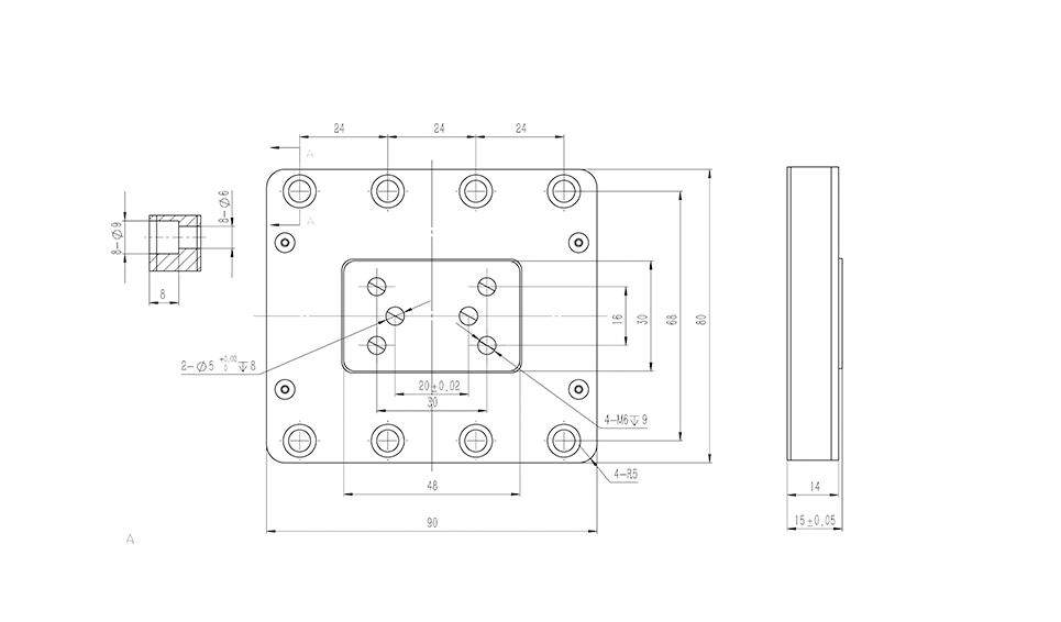
型 号 KWT1L90-50 KWT1L90-100 KWT1L90-200 量 程 N 50 100 200 高 度 mm 15 重 量 g 500 重 复 性 %FS ≤±0.1 线 性 度 %FS ≤±0.1 滞 后 %FS ≤±0.1 蠕 变 %FS ≤±0.03 绝缘电阻 MΩ/100VDC ≥5000 供电电压 VDC 5~12 温度补偿 ℃ 0~60 工作温度 ℃ -10~80 安全过载 %FS 200 破坏极限 %FS 300 材 料 高强度合金钢/不锈钢 防护等级 IP64 通信方式 毫伏级模拟信号输出,可配套坤维模拟信号放大器或数字信号采集模块 -
-
-













